Characteristics | |
---|---|
Operation speed | 0.5mm-50cm/sec |
Operating frequency | Mechanical: 120 operations/minute Electrical: 30 operations/minute |
Contact resistance | 15mΩ max. (initial value) |
Insulation resistance | 100m above (at 500VDC) |
Dielectric strength | 1000VAC, 50/60 Hz for 1 minute between terminals of the same polarity |
1500VAC, 50/60 Hz for 1 minute between current-carrying and non-current- carrying metal parts | |
1500VAC, 50/60 Hz for 1 minute between each terminal and ground | |
Vibration | Action:10 to 55Hz, 1.5mm pairs swing |
Ambient temperature | 10~+80°C (With no icing) |
Humidity | < 95% RH |
Life | Mechanical: 1 Million Electrical: 0.5 Million |
Warranty | 24 Months* |
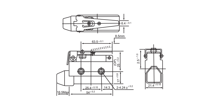
Degree of protection | IP66 (IEC Standard) |
Utilization Category for Limit Switches | ||
---|---|---|
Kind of Current | Category | Typical Application |
Alternative Current | AC-15 | Control of Electromagnetic Load > 72 VA |
Direct Current | DC-13 | Control of Electromagnets |
Contact Rating Designation Based on Utilization Catagories | ||||||||||
---|---|---|---|---|---|---|---|---|---|---|
Designation | Utilization Catagory | Conventional Enclosed Thermal Current | Rated Operational Current (A) at Rated Operational Voltage | VA Ratings | ||||||
Resistance Load | 120 V | 240 V | 380 V | 480 V | 500 V | 600 V | Make | Break | ||
AC-15 | 10 | 6 | 3 | - | - | - | - | - | 7200 | 720 |
Direct Current | 125V | 250 V | 400 V | 500 V | 600 V | Make | Break | |||
P600 | DC-13 | 5 | 1.1 | 0.55 | 0.31 | 0.27 | 0.2 | 138 | 138 |