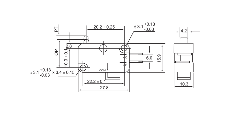
MNPSS3100D

FEATURES

  • Rigid Construction with Plastic body
  • Made in engineering plastic with high mechanical strength & heat sustenance capacity .
  • Cable entry from Bottom
  •  Additional accessories PVC Cap
  • Mechanical life - 1 Million & Electrical life - 0.5 Million
  • Available in different actuators to suit different application . 
  • Contacts: Snap Action 1 NO + 1 NC