| Test Parameters | Specification |
|---|---|
| Degree of Protection | IP 65 |
| Safety |
Fully insulated to hose electrical & electronic equipment w.r.t. protection against electric shock. |
| Material |
Bottom Cover: Tough, Impact resistant & fire
retardant ABS. |
| Single | 65x55x33 |
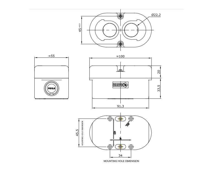
| Two | 100x55x53 |
| Three | 134x55x53 |
| Four | NA |
| Five | NA |
| Eight | 305x55x53 |
| Screw Size for Wall Mounting | M3.5 mm Insertion of screws directly through base cover. |
| Temperature Range | Long term exposure to temperatures above 70° C should be avoided. No significant change in impact strength is noticed up to -20° C. |
| Mounting | M3.5 mm Insertion of screws directly through base cover. |